前 言
本文件按照 GB/T 1.1—2020《标准化工作导则 第 1 部分:标准化文件的结构和起草规则》的规定起草。
请注意本文件的某些内容可能涉及专利。本文件的发布机构不承担识别专利的责任。
本文件代替 FZ/T 62017—2009《毛巾浴衣》,与 FZ/T 62017—2009 相比,除结构调整和编辑性改动外,主要技术变化如下:
更改了适用范围(见 1,2009 版的 1);
更改了规范性引用文件(见 2,2009 版的 2);
增加了符合 GB 31701 的要求(见 5.2);
增加了耐氯漂色牢度、吸水倍率、水萃取物的考核要求(见表 1);
更改了纤维含量偏差的规定(见表 1,2009 版的表 1);
更改了耐湿摩擦色牢度合格品、水洗尺寸变化率、脱毛率的技术要求(见表 1,2009 版的表 1);
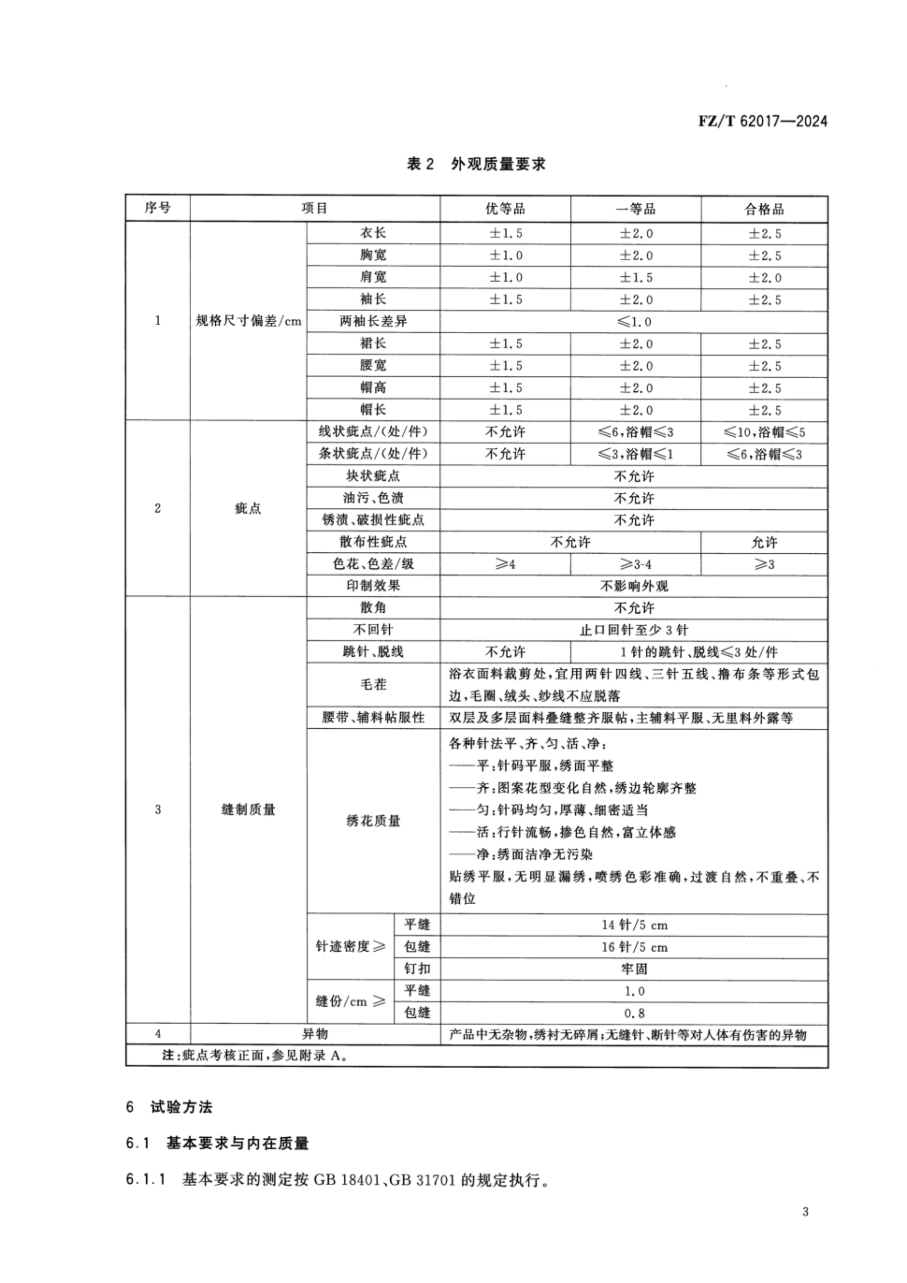
增加了规格尺寸偏差中两袖长差异的要求(见表 2);
增加了缝制质量中面料毛茬、腰带、辅料帖服性的要求(见表 2);
删除了特殊要求按合同约定的规定(见 2009 版的 4.6);
增加了耐氯漂色牢度、吸水倍率、水萃取物的试验方法(见 6.1.7、6.1.9、6.1.12);
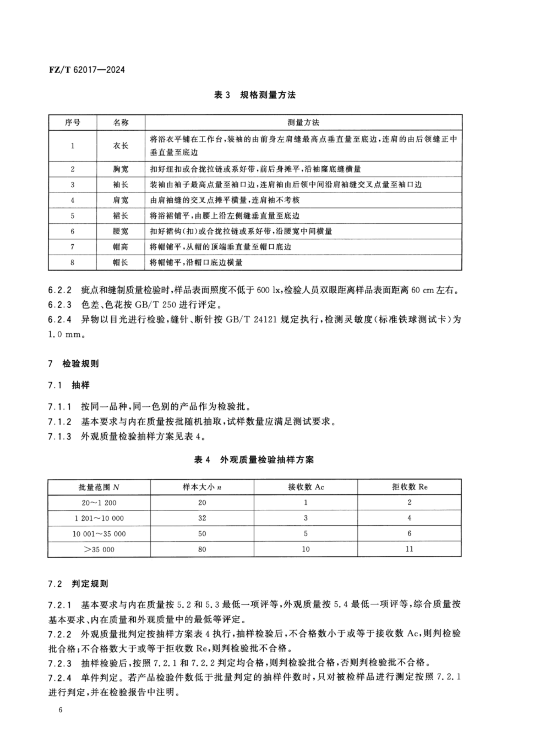
增加了水洗尺寸变化率试验方法中取样数量及结果计算的内容(见 6.1.8);
更改了检验规则(见 7,2009 版的 7);
更改了附录 A 规范性附录为资料性附录(见附录 A,2009 版的附录 A);
增加了附录 C(见附录 C)。
本文件由中国纺织工业联合会提出。本文件由全国家用纺织品标准化技术委员会(SAC/TC 302)归口。
本文件起草单位:山东金号家纺集团有限公司、山东滨州亚光毛巾有限公司、江苏斯得福纺织股份有限公司、浙江双灯家纺有限公司、南通市第三毛巾厂有限公司、南通市怡天时纺织有限公司、新疆新越丝路有限公司、江苏康尔馨家居生活有限公司、三利集团服饰有限公司、宁波新润纺织品有限公司、山东省纤维质量监测中心、江苏省纺织产品质量监督检验研究院。本文件主要起草人:王强、刘雁雁、陆璐璐、华雪梅、刘群、朱晓辉、石然如、周鑫、赵纪红、林莉军、海勇、张越。
本文件所代替文件的历次版本发布情况为:
FZ/T 62017—2009;
本次为第一次修订。












