前 言
本文件按照GB/T 1.1—2020《标准化工作导则 第1部分:标准化文件的结构和起草规则》的规定起草。
本文件代替FZ/T 73052—2015《水洗整理针织服装》,与FZ/T 73052—2015相比主要技术变化如下:
——更改了范围的描述(见第1章,2015年版的第1章);
——更改了规范性引用文件(见第2章,2015年版的第2章);
——增加了超范围号型的标注原则(见第4章);
——删除了要求内容(见2015年版的5.1);
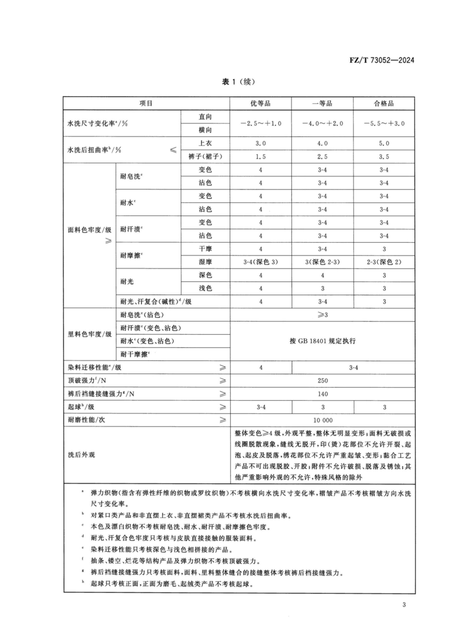
—更改了耐皂洗色牢度的考核指标(见表1,2015年版的表1);
——更改了耐汗渍色牢度的考核指标(见表1,2015年版的表1);
——增加了合格品的耐湿摩擦色牢度的考核指标(见表1);
—更改了耐光、汗复合色牢度(碱性)的考核指标(见表1,2015年版的表1);
——删除了拼接互染色牢度的要求(见2015年版的表1);
—更改了洗后外观要求的考核内容(见表1,2015年版的表1);
——增加了本色及漂白织物不考核耐皂洗、耐水、耐汗渍、耐摩擦色牢度的规定(见表1脚注c);
——增加了抽条、镂空、烂花等特殊结构产品不考核顶破强力的规定(见表1脚注g);
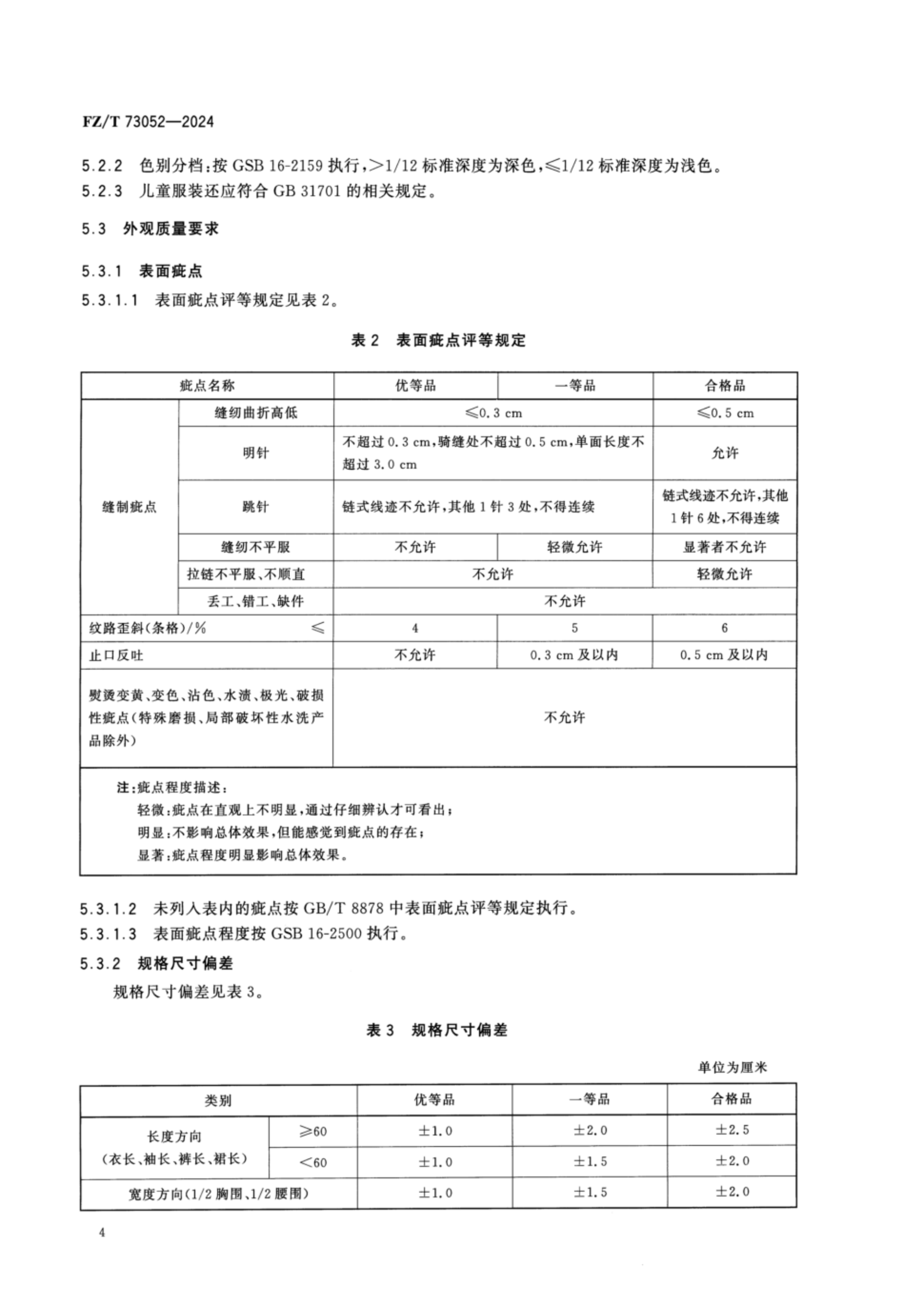
——增加了儿童服装还应符合GB 31701的相关规定(见5.2.3);
—更改了对称部位尺寸差异的要求(见表4,2015年版的表4);
—更改了缝制规定(见5.3.4,2015年版的5.4.5);
——更改了纤维含量的试验方法(见6.1.2,2015年版的6.2.20);
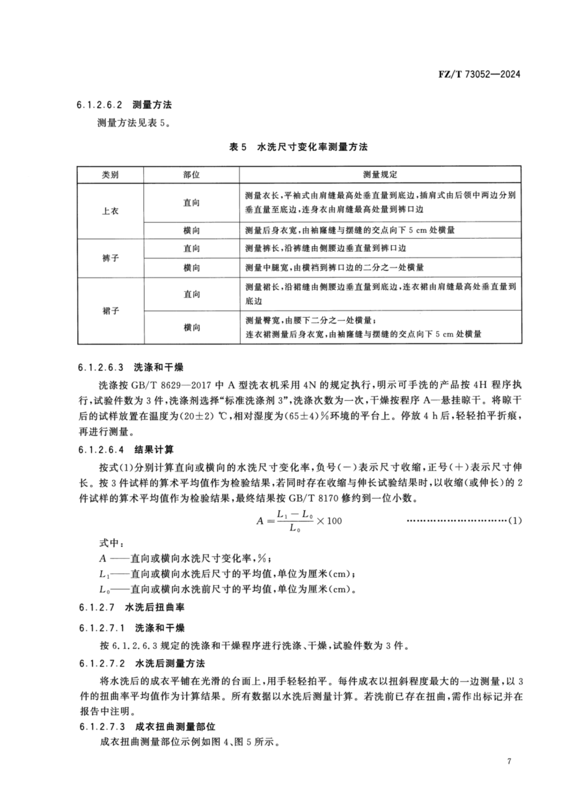
——更改了水洗尺寸变化率试验方法(见6.1.2.6,2015年版的6.2.1);
—更改了水洗后扭曲率的洗涤和干燥程序(见6.1.2.7.1,2015年版的6.2.2.1);
——更改了耐光色牢度的试验方法(见6.1.2.12,2015年版的6.2.8);
——删除拼接互染程度试验方法(2015年版的6.2.11);
—更改了裤后裆缝接缝强力试验方法的表达方式(见6.1.2.16,2015年版的6.2.13和附录D);
—更改了耐磨性能试验方法(见6.1.2.18,2015年版的6.2.15);
—更改了洗后外观的试验方法(见6.1.2.19,2015年版的6.2.3);
——删除了色牢度评级试验方法(见2015年版的6.2.21);
——更改了抽样规则的描述(见第7章,2015年版6.1);
——增加了判定规则的描述(见第8章,2015年版的第7章);
——增加了产品使用说明GB 31701的相关规定(见9.1,2015版的8.1);
—更改了附录A常见水洗整理方法(见附录A,2015版附录A);
——删除了附录C(见2015版附录C);
—删除了附录D(见2015版附录D)。
请注意本文件的某些内容可能涉及专利。本文件的发布机构不承担识别专利的责任。本文件由中国纺织工业联合会提出。本文件由全国纺织品标准化技术委员会针织品分技术委员会(SAC/TC 209/SC6)归口。
















